工程机械配件的加工方式有什么不同
工程机械配件的加工方式有很多种,每种方式都有其独特的特点和适用场景。首先,常见的加工方式之一是机械加工。机械加工是利用机械设备进行材料的切削、磨削、钻孔等操作,以达到所需形状和尺寸的加工方法。这种方式适用于加工各种金属材料,如钢铁、铝合金等,可以满足高精度和高质量的要求。
其次,还有铸造加工。铸造是将熔化的金属或合金注入模具中,通过冷却凝固后得到所需形状和尺寸的加工方式。铸造加工适用于大型、复杂形状的工程机械配件,具有较好的成型性和材料利用率,但精度相对较低。
另外,还有锻造加工。锻造是利用冲击力或压力将金属材料塑性变形,得到所需形状和尺寸的加工方式。锻造加工可以提高金属材料的力学性能和内部组织结构,适用于需要高强度和耐磨性的工程机械配件加工。
此外,还有喷涂、热处理、焊接等加工方式,它们各自具有特定的用途和优势。喷涂可以提供表面保护和改善配件的摩擦性能;热处理可以改变材料的硬度和韧性;焊接可以将多个配件连接在一起,形成完整的结构。 综上所述,工程机械配件的加工方式多种多样,选择合适的加工方式需要考虑材料特性、工件形状、加工精度等因素。根据具体要求,合理选择加工方式可以提高配件的质量和性能。
摘自:http://www.myjsjpj.com
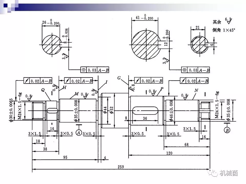
典型零件的机械加工工艺规程,实例讲解,浅显易懂
机加工工艺是每个机械人员必懂的基本知识,本篇文章将于大家一起分享一下典型的零件加工工艺过程,以便我们机械设计人员更好的理解机加工工艺,设计出更好的产品。包括典型的轴类零件、盘类零件及支架类等零件的加工工艺。
End
相关问答
【师徒两人共加工零件168个,师傅加工一个零件5分钟,徒弟加工...
[最佳回答]一分钟,师傅完成1/5个,徒弟完成1/9个,所以一分钟两人合做完1/5+1/9=14/45(个)完成168个所用的时间是:168÷14/45=540(分钟)师傅在540分钟里做了:...
零件加工步骤?
1、开机,各坐标轴手动回机床原点2、刀具准备根据加工要求选择Φ20立铣刀、Φ5中心钻、Φ8麻花钻各一把,然后用弹簧夹头刀柄装夹Φ20立铣刀,刀具号...1、开...
师徒两人共加工零件400个,师傅加工一个零件需9分钟,徒弟加工...
[最佳回答]设苹果X千克师傅效率:徒弟效率=1/9:1/15=5:3多加工=400÷(5+3)×(5-3)=100个X*3/8-(240-X)*1/5=284-2403X/8-48+X/5=440.575X=92...
金属零件的加工工艺都有哪些?
之前在我的头条号文章里面分享过一篇文章,现在发出来这里大家看看,希望对你有帮助。材料成型方法是材料加工过程中的关键因素,涉及设计、性能、成本、质量、...
如何制定零件加工方案?
机械零件加工工艺制订的方法1、毛坯的选择2、加工余量的确定3、加工阶段的划分4、定位基准的选择5、各种表面加工方案的选择(1)外圆表面的加工方案(2)内孔的...
cnc自动化零件加工是什么意思?
就是零件加工过程中不需要手工操作,加工过程CNC自动完成。随着CNC越来越普及,工人的劳动强度大大降低,产品加工效率大大提高。CNC即数控机床,通过计算机控制...
【康师傅加工一批零件,加工720个之后,他的工作效率提高了2...
[最佳回答]工作效率提高20%,即工效比为5:6,时间比为6:5,工效提高12.5%,即工效比为8:9,时间比9:8,两者的时间差是一样的:6-5=1,9-8=1,即1份代表4天,所以原来共...
加工一批零件,师傅独做需要8小时完成,徒弟独做需要12小时完...
[最佳回答]设总量为1,则合作所用时间为1/(1/8+1/12)=4.8所以在4.8小时内,徒弟加工了240个零件所以徒弟平均每小时加工240/4.8=50个零件徒弟平均每小时加工50个...
【师徒两人共加工零件168个,师傅加工一个零件用5分钟,徒弟...
[最佳回答]设完成任务时,师傅加工了X个,则徒弟就加工了168-X个,根据题意得X:15=(168-X):19,19X=(168-X)×15,19X=33.6-15X,1445X=33.6,X=...
【加工一批机器零件,师傅单独加工需要十小时,徒弟加工需要15...
[最佳回答]1÷(1/10+1/15)=1÷1/6=6小时合作时间30÷6÷(1/10-1/15)=5÷1/30=150个零件总数
